Piezo Electric Buzzer
PK-35A29EP-220SQ
(RoHS) DATE:2009.05.25
1﹒Electrical Characteristics VER .:2
Oscillation Frequency (KHz) | 2.9 ±0.5 |
Operating Voltage (Vdc/ac) | 60 ~ 250 |
Rated Voltage (Vdc/ac) | 220 |
Current Consumption (mA/max.) | 25 at Rated Voltage |
Sound Pressure Level (dB/min.) | 95 at 30cm at Rated Voltage |
Tone/Pulse Rate | Constant |
Operating Temperature (℃) | -20 ~ +70 |
Storage Temperature (℃) | -30 ~ +80 |
2﹒Voltage/ Current / Sound Pressure

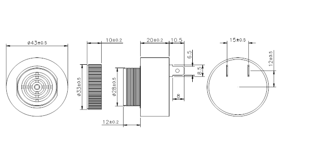
3﹒Dimensions and Material
3-1 Shape

3-2 Material
Housing | ABS 757 UL94HB plastic resin (Color : Black) |
Leading Pin | Tin Plated Brass |
Weight (Gram) | 35 |
4. TESTING METHOD
.Standard Measurement conditions
Temperature:25±2℃ Humidity:45-60%
.Acoustic Characteristics
The oscillation frequency, current consumption and sound pressure are measured by the measuring instruments shown below.
2
5. RELIABILITY
ITEMS | METHOD OF TEST AND MEASUREMENTS | PERFORMANCE |
Coldness withstanding | After 98 hours of being exposed to -30℃ environment, should be returned to normal environment for 2 hours, then re-proceed to test. | No abnormality shall exist |
Hotness withstanding | After 98 hours of being exposed to +80℃ environment, should be returned to normal environment for 2 hours, then re-proceed to test. | No abnormality shall exist |
Humidity withstanding | After 98 hours of being exposed to 40℃ 95%RH environment in actual operation, should be returned to normal environment for 2 hours, then re-proceed to test. | No abnormality shall exist |
Durability | Testing after 98 hours actual continuous operation.(at standard measurement conditions) | No abnormality shall exist |
Drop withstanding | A natural drop from 75cm high down to the ground. | No abnormality shall exist |
Vibration withstanding | Vibration of 2,000 cycles per minute, 2mm amplitude, applied in X, Y and Z directions for 30 minutes each. | No abnormality shall exist |
6. PACKAGE METHOD
<1> 40pcs per box , Total 10 boxes per carton , total 400pcs per carton;
Volume: L*W*H=520*335*290mm
<2> N﹒W﹒:;14.0KGS; G﹒W﹒:16.0KGS;
<3> RoHS Mark
